昌吉市2025年下半年初级中学、小学和幼儿园教师资格认定公告
公 告
根据《中华人民共和国教师法》《教师资格条例》《新疆维吾尔自治区实施〈教师资格条例〉细则》和自治区、昌吉州教师资格认定工作安排,现就昌吉市2025年下半年初级中学、小学和幼儿园教师资格认定有关事宜公告如下:
一、认定范围
未达到国家法定退休年龄且符合下列条件之一的人员,可申请相应教师资格:
(一)具有昌吉市户籍人员;
(二)持有昌吉市有效期内的居住证的外省市户籍人员(不含临时居住证或暂住证);
(三)昌吉市辖区内新疆普通高等学校应届毕业生、在读研究生以及在读专升本学生;
(四)在昌吉市服役的现役军人和现役武警;
(五)在昌吉市学习、工作、居住的港澳台居民,包括居住地在昌吉市的港澳台居民(持有效期内港澳台居民居住证)、在昌吉市参加教师资格考试的港澳居民(持有效期内港澳居民来往内地通行证)和台湾居民(持有五年有效期台湾居民来往大陆通行证)。
二、认定条件
(一)思想品德条件。拥护中国共产党的领导,坚持党的教育方针,遵守宪法和法律,维护祖国统一,反对民族分裂,热爱教育事业,履行《中华人民共和国教师法》规定的义务,有良好的政治素质和道德品质,遵守教师职业道德。
(二)学历要求。申请教师资格应当具备《新疆维吾尔自治区实施〈教师资格条例〉细则》规定的相应学历。
(三)普通话水平要求。申请认定教师资格人员的普通话水平,应达到国家语言文字工作委员会颁发的《普通话水平测试等级标准》二级乙等及以上标准。申请语文、小学全科教师资格任教科目的人员普通话水平应达到二级甲等及以上。
(四)教育教学能力要求。须符合以下条件之一:
1.新疆普通高等学校2021届及以前师范类专业毕业生(毕业生成绩登记表须含在学期间的教育学、心理学、教育教学实习鉴定,成绩均合格),可直接申请认定与所学专业一致的教师资格。所学专业与申请认定的教师资格种类学科不一致的人员或毕业生成绩中没有教育实习实践环节者,需参加国家中小学教师资格考试(包含笔试、面试),且成绩合格;
2.新疆普通高等学校2022届及2023届本专科师范类毕业生,按照《关于做好自治区中小学教师资格考试和认定过渡工作的通知》要求进行认定;
3.参加国家中小学教师资格考试(笔试、面试均合格),取得有效期内《中小学教师资格考试合格证明》(可登录中小学教师资格考试网(http://ntce.neea.edu.cn)查询);
4.属于国家免试认定中小学教师资格改革范围的教育类研究生和师范生,通过师范生教育教学能力考核并取得有效期内的《师范生教师职业能力证书》。
(五)体检要求。能适应教育教学工作的需要,具有良好的身体素质和心理素质,无传染性疾病,无精神病史。申请认定教师资格人员应在相应的教师资格认定机构指定的县级及以上医院进行体检,体检结论为合格。具体按照《新疆维吾尔自治区申请教师资格人员体检办法(修订)的通知》要求执行。
(六)无犯罪记录及从业禁止查询。认定过程中,认定机构将对申请人的无犯罪记录情况进行核查,根据核查结果和国家法律法规及有关规定作出认定结论。同时,根据《最高人民检察院 教育部 公安部关于建立教职员工准入查询性侵违法犯罪信息制度的意见》(高检发〔2020〕14号),在作出教师资格认定结论前,对经准入查询发现有性侵违法犯罪信息的,不予认定。
三、日程安排
2025年下半年昌吉市初级中学、小学和幼儿园教师资格认定工作具体安排如下:
(一)网上报名、体检及现场确认时间。
网上报名时间:2025年10月10日10:00--10月17日17:00。
体检时间:10月10日--10月22日(周六、周日及法定节假日除外,9:30--13:00)。
现场确认时间:10月20日--10月23日(工作日的10:00--18:30)。
(二)网上报名、体检及现场确认要求。
请申报人自行下载、打印体检表并在规定时间内前往新疆医科大学第一附属医院昌吉分院住院部一楼健康体检中心(地址:昌吉市青年南路743号,青年南路与石河子路交会处,公交车43路、54路可到达)进行体检,体检要求空腹。
符合教师资格认定条件的申请人员按要求在现场确认规定时间内提交申报材料,进行现场确认(现场确认地点:昌吉市政务服务中心一楼社会事务D09、D10窗口,昌吉市南公园西路2739号)。
(三)资格认定。教师资格认定机构按认定程序和要求做出资格认定结论。在认定工作开展期间,申请人可登录“中国教师资格网”,查看当前认定状态等信息。
(四)证书发放。经认定具备教师资格的人员,应在规定时间内,携带本人身份证前往昌吉市政务服务中心一楼社会事务D09、D10窗口领取证书,过期不候。
四、认定流程
(一)网上申报。
1.符合条件的申请人员可登录“中国教师资格网”(https://www.jszg.edu.cn)进行网上注册。通过“网上办事”栏目下“教师资格认定”服务入口,点击“在线办理”,完成实名核验,完善各项信息。
2.在网报时间内进行网上报名,仔细阅读并按要求签署《个人承诺书》,上传近期免冠正面1寸彩色白底证件照的电子照片。
3.申请人在申报教师资格种类及任教学科时,须确保正确无误,一经申报,不得随意更改(“外语”仅限于报名系统内没有的小语种学科,如报英语学科,须选择“英语”,而不得选择“外语”)。
4.申请人的学历信息、普通高等院校全日制应届毕业生学籍信息及《普通话水平测试等级证书》可在线核验。核验通过的,现场确认时无需出示相关原件或复印件。如验证不通过,则按以下步骤操作,且在现场确认时出具原件:
(1)“普通话证书信息”验证不通过,请选择“录入证书”类型,补全相关信息并上传对应的电子版证书。
(2)“学历学籍信息”验证不通过,请选择“无法核验的学历”类型,补全相关信息并上传对应的证书照片。
(3)如果申请人持有的学历为港澳台地区学历或者国外留学学历,无法进行学历核验,请选择核验类型为港澳台地区学历或国外留学学历,并上传《港澳台学历学位认证书》或《国外学历学位认证书》。持港澳台学历或国外学历的申请人需通过教育部留学服务中心(网址:https://portal.cscse.edu.cn/)进行学历认证。
5.网上报名由阅读网上申报协议、填写身份信息、选择认定机构、填写认定信息、确认申报信息、阅读注意事项、提交认定申请、查看申报提醒等步骤组成。报名完成后,在“申报提醒”界面会以红色字体提示“报名成功”,同时生成报名号,请申请人牢记报名号。申请人须按照户籍所在地、居住地或就读学校所在地教育行政部门发布的认定公告认真填报认定所在地、认定机构与确认点等相关信息,不得跨区县选择现场确认机构。根据《中华人民共和国教师法》和自治区相关规定,昌吉市教育局受理昌吉市辖区内初级中学、小学和幼儿园教师资格的认定。
(二)现场确认及资格审核。
申请人在网上申报完成后,须关注并阅读相应认定机构发布的认定公告,分批次在规定时间内前往教师资格认定机构指定地点提交相关申请材料。要服从确认点工作安排,有序进行现场确认。现场确认时须提交如下材料,由认定机构进行资格审核:
1.身份证(在有效期内)原件,实名验证通过,无需提供。
2.户口簿(或昌吉市居住证、学生证)原件及复印件各1份。
(1)向户籍所在地教师资格认定机构提出申请的,提供户口簿原件及复印件各1份;
(2)向居住证签发地教师资格认定机构提出申请的,提供有效居住证原件及复印件各1份;
(3)向就读学校所在地教师资格认定机构提出申请的新疆普通高等学校应届毕业生、在读研究生及专升本学生,提供注册信息完整的学生证原件及复印件1份(学籍信息经在线核验通过的,现场确认时无需提供复印件);
(4)驻昌吉市部队现役军人和现役武警应提供由所属部队相关部门出具的申请人隶属该驻疆部队的人事关系证明;
(5)港澳台居民须提供有效港澳台居民居住证、港澳居民来往内地通行证、五年有效期台湾居民来往大陆通行证原件。
3.学历证书原件(经在线核验通过的,现场确认时无需提供)。不能通过系统比对或国外及取得港澳台学历者,现场确认时还须提交以下材料:
(1)学历信息不能通过系统比对的申请人(中等师范学校、中等职业学校学历除外),须同时提供通过“学信网”(https://www.chsi.com.cn/)查验打印的《教育部学历证书电子注册备案表》或《中国高等教育学历认证报告》1份。
(2)取得港澳台学历的申请人,须同时提交教育部留学服务中心出具的《港澳台学历学位认证书》原件;国外学历申请人须同时提交教育部留学服务中心出具的《国外学历学位认证书》的原件及复印件1份。
4.普通话水平测试等级证书原件(经在线核验通过的,现场确认时无需提供)。
5.教育教学能力证明。
(1)新疆普通高等学校2021届及以前师范类专业毕业生,须提交人事档案中由学籍管理部门出具的毕业生成绩登记表复印件一份(含在学期间的教育学、心理学合格成绩、教育教学实习鉴定表格复印件各1份),并加盖档案管理机构(部门)印章;
(2)新疆普通高等学校2022届及2023届师范类毕业生,按照《关于做好自治区中小学教师资格考试和认定过渡工作的通知》要求,提交学校组织的测试成绩合格单;
(3)参加国家中小学教师资格考试者,取得有效期内《中小学教师资格考试合格证明》,由认定报名系统比对核验,无需提供;
(4)属于国家免试认定改革范围的教育类研究生和师范生的《师范生教师职业能力证书》,由认定报名系统比对核验,无需提供;
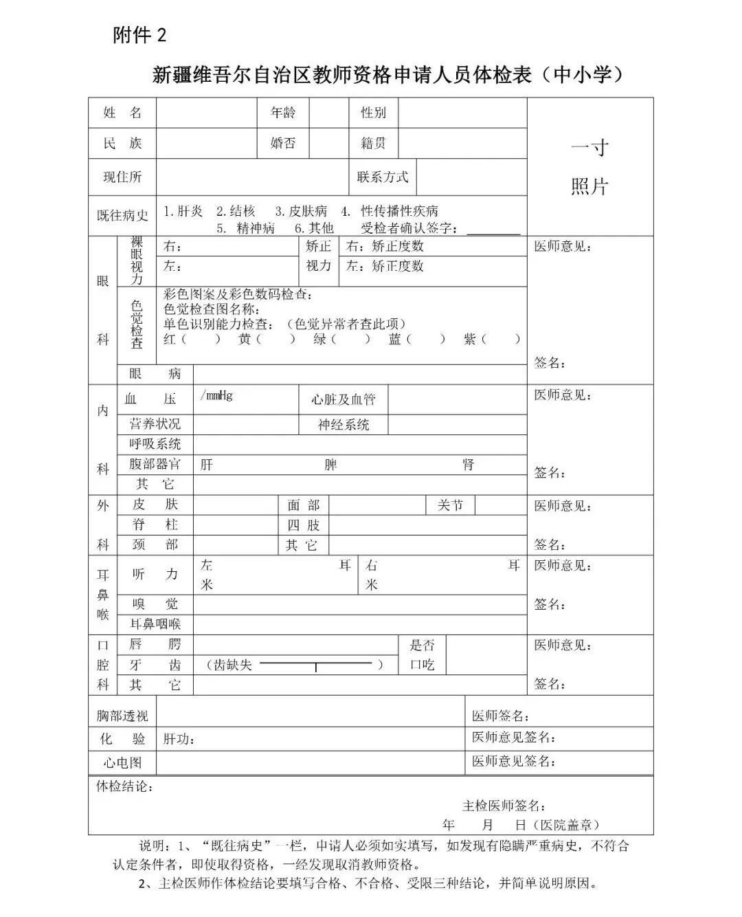
6.加盖当地教师资格认定机构指定的县级及以上医院公章的《体检表》(见附件1和附件2),体检表上的结论应明确填写“合格”或“不合格”(体检报告当次有效);
7.近期免冠正面1寸彩色白底证件照2张(与教师资格认定网上报名电子照片同版,背面写明姓名、网上报名序号,用于办理教师资格证书)。
8.无犯罪记录证明。内地(大陆)申请人的无犯罪记录信息由教师资格认定机构核查,无需个人提供。
港澳台居民须由申请人自行前往香港特别行政区、澳门特别行政区或台湾地区的有关部门开具无犯罪记录证明。香港、澳门申请人需由教育行政部门协助提供函件的,通过认定机构与自治区教育厅教师资格认定指导中心联系出具。
以上任何环节如有弄虚作假、骗取教师资格行为的,一经查实,自发现之日起5年内不得重新申请认定教师资格。
五、其他事项
(一)同一申请人在同一自然年度内只能申请认定一种教师资格。申请过程中,申请人应如实提交相关材料。弄虚作假,骗取教师资格的依法依规进行处理。
(二)妊娠期的申请人可免检孕妇不宜的体检项目,在其他可检测项目合格的情况下,视为体检合格,但须由主检医生在体检表上签署妊娠情况说明。申请人在提交体检合格证明时须附上妊娠反应为阳性的检测报告或产检档案等证明材料。
(三)请申请人按规定时间、地点、方式、要求进行网上申报、体检、现场审核确认等,因错过申报时间、错过体检时间、错过现场审核确认时间、选错认定机构、选错确认点、申报信息有误或提交审核材料不全等原因未在规定时间内完成申报工作的,认定机构将不再受理,责任由申请人本人承担。
昌吉市教师资格认定机构咨询电话:0994-8166242
附件:1.新疆维吾尔自治区教师资格申请人员体检表(幼儿园)
2.新疆维吾尔自治区教师资格申请人员体检表(中小学)
昌吉市教育局
2025年9月23日





